Javascript seems to be disabled in your browser.You must have JavaScript enabled in your browser to utilize the functionality of this website.
Welcome Guest
Click on image to zoom, mouse over to view detail.
Read Review(s) | Log in to Review
Finder
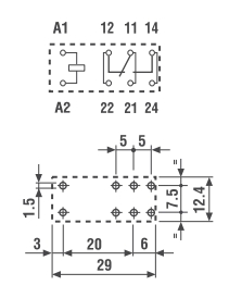
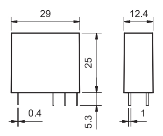
40.61.9.024.0000