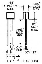
Digital w/2 Built–In 22k Bias Resistors (NPN)

NTE-2357

Manufacturers Code: NTE2357
2 (EA) in Stock
CA$2.07
/ EA
To top