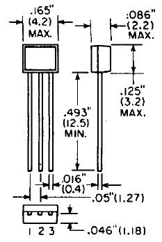
Digital w/2 Built–In 47k Bias Resistors (NPN)

NTE-2359

Manufacturers Code: NTE2359
4 (EA) in Stock
CA$1.50
/ EA
To top