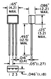
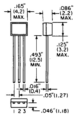
Digital w/2 Built-In 4.7k Bias Resistors (NPN)

NTE-2367

Manufacturers Code: NTE2367
3 (EA) in Stock
CA$1.14
/ EA
To top