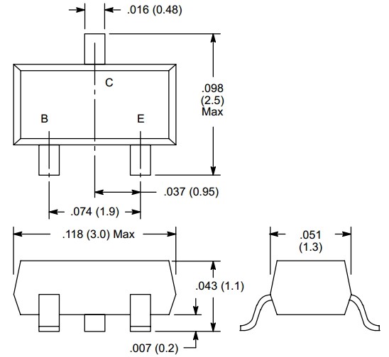
Digital w/2 Built–In Bias 10k Resistors (NPN)

NTE-2414

Manufacturers Code: NTE2414
2 (EA) in Stock
CA$2.58
/ EA
To top