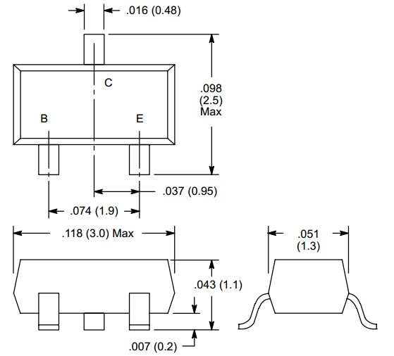
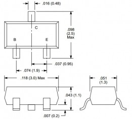
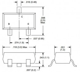
Digital w/2 Built–In Bias 10k Resistors (PNP)

NTE-2415

Manufacturers Code: NTE2415
1 (EA) in Stock
CA$2.34
/ EA
To top